|  | 
| 
 | ||||||||
|     | 
|  |  116813  19  10  1 |  | Опции темы | Поиск в этой теме | 
|  03.01.2012, 18:29   |  1   | 
| Капитан Очевидность Регистрация: 15.02.2011 Последняя активность: 09.01.2025 10:00 
					Сообщений: 5568
 Сказал(а) спасибо: 286 
		
			
				Поблагодарили: 1396 раз(а) в 1002 сообщениях
			
		
	 |  Импульсные DC/DC преобразователи 
			
			Решил выкинуть на форум статью о преобразователях. Первоисточник, к сожалению, потерялся во времени. Статья не совсем о фонарных драйверах, но может помочь получить первоначальное представление об их устройстве. DC/DC преобразователи широко используются в оборудовании для вычислительной, электронной, автоматизированных системах управления, средства связи и др. В последнее время широкое распространение получили интегральные DC/DC преобразователи. Часто такие преобразователи, производимые разными компаниями взаимозаменяемые. В большинстве блоков импульсного питания используется дроссель индуктивности, который может накапливать энергию и преобразовывать напряжение. В общем виде блоки питания с DC/DC преобразователями делятся на устройства с гальванической развязкой между входом и выходом или без нее. Первая часть DC/DC преобразователей связана с наличием импульсных трансформаторов, вторая - с использованием элементов индуктивности. Существуют DC/DC преобразователи без элементов индуктивности (дросселей), но задействуют их в блоках питания редко. 1. DC/DC преобразователи без индуктивности (конденсаторный умножитель напряжения). Такие преобразователи базируются на системах накачки энергии. Основной особенностью их есть то, что на выходе преобразователя (DC/ DC конвертора) может быть меньшее, большее или равное входному напряжению. Величина нагрузки в этих устройствах небольшая и обычно составляет несколько сот милливатт. Блоки питания с подобными свойствами используются для преобразования напряжения обратной полярности, например, для интерфейсов, датчиков различного назначения или усилителей, в которых необходимо отрицательное напряжение. Подобные блоки питания состоят из генераторов прямоугольных импульсов с частотой в несколько десятков или несколько сот килогерц (рис.1). Переменное напряжение подается в систему, сформированную из диодов и конденсаторов, которые на выходе имеют выходное напряжение определенной величины. Так функционируют микросхемы типа МАХ232. Их используют, например, в интерфейсах RS232 с питанием, основанном на отрицательном напряжении. Отсутствие элементов индуктивности является основой функционирования таких блоков питания. Эффективность преобразования DC/DC конверторов невысокая, причем величина выходного напряжения сильно зависит от значения нагрузки, а это снижает стабилизацию выходного напряжения. Преобразователи подобного вида лучше использовать в источниках питания светодиодов. Эти DC/DC конверторы в настоящее время популярны в различных устройствах, например, в ручных фонариках или в преобразователях к источникам солнечного питания. 2. DC/DC преобразователи с индуктивностью Популярны в современной электронике DC/DC конверторы без гальванической развязки между входом и выходом. Они широко применяются многими конструкторами радиоэлектронной аппаратуры. В таких системах используется единичный изолированный источник питания, который преобразует переменное напряжение в промежуточное значение напряжения постоянного тока. В зависимости от положения ключевого элемента неизолированные DC/DC конверторы отвечают одной из следующих топологий: - с понижением выходного напряжения (в англ. обозначении - step-down или buck); - с повышением выходного напряжения (step-up или boost); - с преобразованием напряжения в обратную полярность (inverting converter); - с напряжением низким или высоким по отношению к входному напряжению (step-up/ step-down или buck-boost). В качестве ключевых элементов широко используются полевые транзисторы различных типов (FET) и биполярные транзисторы с изолированным затвором (IGBT). 2.1. Понижающий импульсный конвертор На рис.2 показана упрощенная схема DC/DC конверторов с понижением напряжения на выходе (англ. step-down или buck). Схема состоит из дросселя L, диода D на входе и конденсатора С на выходе. В качестве ключа используется транзистор, который управляется прямоугольными импульсами с регулированием от широтно-импульсного модулятора (ШИМ) (анл.- PWM) с частотой от 40 кГц до 1 МГц. Рассмотрим работу упрощенной схемы. При замыкании ключа S происходит заряд конденсатора С через дроссель L. Однако возникающая э.д.с самоиндукция в дросселе L (на рис.2 протекание токов показано стрелками) ограничивает заряд конденсатора С. В этом случае конденсатор С дополнительно подзаряжается через диод D. Напряжение на конденсаторе С зависит от входного напряжения, причем это напряжение будет увеличиваться за счет увеличения длительности импульса, протекающего через ключ S, и уменьшения длительности импульса. Напряжение на выходе транзистора ключа S является усредненным на выходе фильтра LC и доходит до нагрузки. Цикл работы происходит в два этапа; на первом - транзистор открыт - энергия приводит к нагрузке с одновременным увеличением энергии в магнитном поле дросселя. На втором этапе транзистор закрыт - энергия, запасенная в дросселе, передается на нагрузку через диод D. В зависимости от значения индуктивности дросселя L DC/DC конверторы могут работать в двух режимах работы: с постоянным током в дросселе или переменным. Это зависит от работы транзистора ключа S. Первый режим задействуется при малых значениях индуктивности дросселя, когда транзистор пропускает незначительную энергию. Во втором режиме часть энергии посредством диода передается нагрузке. Энергия, запасенная в дросселе, снижается к нулю. При этом устройству можно задать краткий отрезок времени, необходимый для открытия транзистора: на выход подается энергия от конденсатора С. При больших значениях индуктивности дросселя энергия увеличивается настолько, что в случае прерывания устройство не в состоянии передать энергию конденсатору. 2.2. Повышающий импульсный DC/DC конвертор На рис.3 показана упрощенная схема DC/DC конвертора с выходным напряжением большим от входного напряжения (англ. step-up или boost). Работа конвертора проходит в два этапа. На первом этапе транзистор ключа S открыт, что влечет за собой прохождение тока через дроссель L, в сердечнике которого энергия накапливается в виде магнитного поля. На втором этапе, когда транзистор ключа S закрыт, энергия магнитного поля сердечника дросселя L снижается, а в самом дросселе возникает е.д.с. самоиндукции, которая совмещается со входным напряжением и передается через диод D конденсатору С и нагрузке. От времени заряда конденсатора будет зависеть выходное напряжение: чем большее время заряда, тем выше напряжение на выходе устройства. Ключ S в этом случае должен находиться в закрытом положении. Выходное напряжение ограничено и не может превышать входное более чем в два-три раза, так как скорость падения тока в дросселе ограничена емкостью и другими элементами схемы. Чем выше выходное напряжение, тем меньше время включения транзистора. Для получения большой мощности на выходе устройства с высоким напряжением необходимо использовать дроссель с небольшой индуктивностью и использовать элементы, которые должны функционировать с большим рабочим напряжением. Такое положение ограничивает конструкторские разработки. Поэтому лучше использовать в устройствах трансформаторы. 2.3. Конвертор с изменением полярности входного и выходного напряжения Иногда необходимо получить напряжение на выходе обратной полярности по отношению к входному. С этим справляются DC/DC конвертора, получившие название как инвертирующие стабилизаторы (англ. inverting converter). Упрощенная схема такого DC/DC конвертора показана на рис.4. На схеме показан вариант преобразования положительного напряжения на входе устройства в отрицательное напряжение на выходе. Принцип работы такого DC/ DC конвертора заключается в следующем: при открывании транзистора в ключе S1 через дроссель D протекает возрастающий во времени ток (на рис.4 показано направление тока), а в сердечнике дросселя происходит накопление энергии разворачивающего магнитного поля. Далее, при запирании транзистора ключа S1 магнитное поле в дросселе сворачивается, и в дросселе возникает э.д.с. самоиндукции. В результате заряжается конденсатор С. По сути, эта схема отличается от схемы на рис.3 полярностью диода, что влечет за собой и разную полярность входного и выходного напряжения. 2.4. Конвертор с любым выходным напряжением Рассмотрим DC/DC конверторы, которые имеют как высокое, так и низкое напряжение на выходе (англ. step-up/step-down или buck-boost). Такие преобразователи имеют ситуацию, когда напряжение нагрузки близко к входному напряжению. Примером может служить любая схема, в которой напряжение на выходе создается Li-ионной батареей с напряжением в 3,3 В. Такая батарея изначально имеет высокое напряжение, а со временем в процессе эксплуатации (или хранения) уменьшается ее напряжение. Учитывая порог напряжения имеет смысл преобразовать такое напряжение до 3,3 В на выходе DC/DC конвертора. Такие конверторы с любым выходным напряжением имеют топологию Sepic и Cuka. На рис.5 показана упрощенная схема DC/DC конвертора Кука, в которой имеются два дросселя, два конденсатора. Проанализируем поведение DC/ DC конвертора Кука в двух режимах: с включением транзистора и с отсутствием такового. В первом цикле конвертор Кука изображен схематически на рис.6, когда ток с возрастанием течет из источника питания в дросселе L1. Во втором цикле (см. рис.7) ключ включает процесс зарядки конденсатора С1 с использованием источника энергии, увеличенного запасенной энергией в дросселе. Заряд осуществляется через диод D. Последующее закрытие ключа заряжает конденсатор С1, подключенный к диоду, и продуцирует напряжение для классической схемы с целью снижения напряжения, полученного от конденсатора С1 и дросселя L2 с конденсатором С2. Конденсатор в DC/DC конверторе Кука является элементом, который в раннем цикле имеет напряжение выше входного напряжения, а в позднем - является средством входного напряжения для конвертора со сниженным напряжением. Двухрежимное преобразование соответствует правильно подобранному значению индуктивности, что позволяет получить два разных выходных напряжения. Нечто подобное демонстрирует DC/DC конвертор типа Sepic (англ. Single Ended Primary Inductor Converter), упрощенная схема которого приведена на рис.8. Эта схема подобна к схеме, изображенной на рис.5 конвертора Кука, в котором заменены диод D и дроссель L2. Принцип работы этого конвертора подобный, но отличие в том, что обмотка дросселей L1 и L2 реализована на одном сердечнике, что снижает стоимость и экономит место на печатной плате. Вместо диодов Шоттки лучше использовать транзистор типа MOSFET, который может синхронно контролироваться с помощью дополнительного сигнала от генератора. Таким образом, нормальная работа DC/DC конвертора типа Sepic при UBх >UBыx обеспечивается конденсатором С1 и дросселем L2. Однако, для нормальной работы конвертора необходимо, чтобы оба дросселя L1 и L2 имели одинаковую индуктивность. 3. DC/DC преобразователь с гальванической развязкой В таких DC/DC конверторах используют импульсные трансформаторы с двумя и более обмотками, причем между входной и выходной цепью связь отсутствует. Импульсные трансформаторы имеют большую разность потенциалов между входом и выходом конвертора. Примером их применения может быть блок питания для импульсных фотовспышек с напряжением на выходе порядка 400 В. Примеры использования таких топологий: - обратноходовые импульсные преобразователи (flyback converter); - прямоходовые импульсные преобразователи (forward converter); - преобразователи с двухтактным выходом (push-pull); - преобразователи с полумостовым выходом (halfbridge converter); - преобразователи с мостовым выходом (full fbridge converter). 3.1. Обратноходовой импульсный преобразователь Эти преобразователи наиболее известны и распространены в электронике. На рис. 9 приведена упрощенная схема обратноходового DC/DC преобразователя (англ. flyback converter). Первому такту работы такого преобразователя свойственно снятие напряжения с источника питания. Ключ заперт, вследствие чего ток проходит через первичную обмотку трансформатора и накапливается в дросселе в виде магнитного поля. Диод в этом случае не пропускает ток во вторичной цепи трансформатора. При втором такте работы ключ открыт, а напряжение самоиндукции поляризует диод в направлении проводимости. В устройстве, показанном на рис.9, проходит фазировка обмоток трансформатора тогда, когда во время прямого хода при открытом ключе Т тока во вторичной цепи нет. Это вызывает накопление энергии в сердечнике трансформатора в виде разворачивающего магнитного поля. Когда наступает обратный ход при запирании ключа Т магнитное поле в сердечнике вызывает э.д.с. во вторичной цепи трансформатора, которая заряжает конденсатор С через диод. В старых конструкциях использовалась схема, показанная на рис.10, в которой полупроводниковые элементы были задействованы одновременно на такое время, когда использование их допускалось с низким значением допустимого напряжения. Простая конструкция с использованием импульсного трансформатора и одного транзистора получила распространение в радиолюбительской практике для получения преобразователей с мощностью не выше 100 Вт. Обратноходовые импульсные преобразователи используются в диапазоне выходных мощностей от 30 до 250 Вт. Они являются недорогими многовыводными импульсными источниками питания из-за отсутствия дополнительных элементов индуктивности. 3.2. Прямоходовый импульсный преобразователь Прямоходовые преобразователи (англ. forward converter) имеют высокий коэффициент полезного действия (кпд), однако в радиолюбительской практике используются сравнительно редко. Кратко охарактеризуем их работу. На рис.11 представлена такая схема. Включение ключа приводит к подаче напряжения на первичную обмотку трансформатора и появление напряжения на вторичной обмотке. Во вторичной цепи возникает ток, проходящий через диод D1 и дроссель L, при этом конденсатор С заряжается. В это время диод D3 не проводит ток. Ток, проходящий через дроссель Ц возрастает и приводит к увеличению энергии магнитного поля в дросселе. Отключение ключа вызывает исчезновение тока через диод D1. напряжение на дросселе L меняет знак, что приводит к протеканию тока через диод D2. Вследствие возникновения магнитного поля в дросселе L появляется напряжение на выходе. В первой части цикла ток, проходящий через дроссель, возрастает, во второй - постепенно пропадает. Благодаря этому энергия к нагрузке проходит более длительное время, чем в обратноходовых преобразователях. Импульсные трансформаторы в прямоходовых преобразователях имеют большие размеры. Объясняется это их небольшой мощностью. При этом ток на выходе достаточно большой. Прямоходовые преобразователи часто используют радиолюбители. Они не дороги для радиолюбителей, позволяют задействовать небольшое количество элементов в схеме. 3.3. Преобразователь с двухтактным выходом На рис.12 показана упрощенная схема преобразователя с двухтактным выходом (англ. push-pull). Преобразователь состоит из двух ключей и имеет симметрическую структуру. В устройстве транзисторы поочередно подают напряжение на одну из первичных обмоток трансформатора Т1. Во вторичной обмотке трансформатора индуцируется напряжение, которое через диод D1, а далее в последующем цикле через диод D2, и дроссель L подается на выход преобразователя. В то время, когда ни один из транзисторов не проводит ток, накопленная энергия в дросселе L передается на выход преобразователя через диоды D1 и D2. DC/DC преобразователи по своей конструкции имеют симметричные обмотки трансформаторов. Отсутствие этого условия приводит к перенасыщению энергии в обмотках и сбоям в работе элементов схемы. Последний недостаток уменьшает популярность в применении их в радиоэлектронике. 3.4. Преобразователь с полумостовым выходом Эти DC/DC преобразователи являются наиболее популярными в конструировании электронных устройств. На рис.13 представлена упрощенная схема преобразователя с полумостовым выходом (англ. halfbridge converter). Эти преобразователи наиболее популярны для конструкторского воплощения в жизнь подобных устройств. Они являются простыми, поскольку в таких трансформаторах нет необходимости использовать симметрические обмотки. Эти преобразователи могут работать с мощностью на выходе от 50 до 400 Вт. DC/DC преобразователи используются в почти во всех современных компьютерах. Преобразователи с полумостовым выходом, как и преобразователи с двухтактным выходом являются регуляторами напряжения. Поскольку время пропускания и закрытия тока в обоих транзисторах одинаково, напряжение на нижнем конце первичной обмотки устанавливается с помощью конденсаторов С1 и С2 на уровне входного напряжения. Их переключение вызывает подачу на первичную обмотку половину входного напряжения и каждой части цикла обратную по знаку. Вторичная обмотка трансформатора имеет характерное для преобразователя однотактное соединение с дросселем и двумя диодами D1 и D2. 3.5. Преобразователь с мостовым выходом Схема такого преобразователя с мостовым выходом (англ. full fbridge converter) представлена на рис.14. Вместо конденсаторов С1 и С2 установлены транзисторные ключи. Они позволяют коммутировать полные входные напряжения и этим самым на получение большей мощности на выходе конвертора. Транзисторы, которые являются основой DC/DC преобразователя, работают парами: Q1 и Q4, а далее Q2 и Q3. [Исправлено: Sergey@yeisk, 05.01.2012 в 14:01] | 
|   |     | 
|  03.01.2012, 20:21 |  2   | 
|  Регистрация: 08.06.2011 Последняя активность: 21.10.2025 11:45 
					Сообщений: 7357
 Сказал(а) спасибо: 1935 
		
			
				Поблагодарили: 2291 раз(а) в 1027 сообщениях
			
		
	 |  Re: Импульсные DC/DC преобразователи 
			
			Упустили преобразователь Чука.
		 | 
|   |     | 
|  03.01.2012, 20:25   |  3   | 
| Капитан Очевидность Регистрация: 15.02.2011 Последняя активность: 09.01.2025 10:00 
					Сообщений: 5568
 Сказал(а) спасибо: 286 
		
			
				Поблагодарили: 1396 раз(а) в 1002 сообщениях
			
		
	 |  Re: Импульсные DC/DC преобразователи | 
|   |     | 
|  05.01.2012, 01:27 |  4   | 
| Увлеченный Регистрация: 24.12.2011 Последняя активность: 29.10.2020 10:49 
					Сообщений: 186
 Сказал(а) спасибо: 2 
		
			
				Поблагодарили: 26 раз(а) в 10 сообщениях
			
		
	 |  Re: Импульсные DC/DC преобразователи | 
|   |     | 
|  05.01.2012, 09:22 |  5   | |
| Консультант  Регистрация: 25.05.2010 Последняя активность: 07.01.2015 23:43 
					Сообщений: 1364
 Сказал(а) спасибо: 20 
		
			
				Поблагодарили: 149 раз(а) в 112 сообщениях
			
		
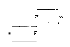
	 |  Re: Импульсные DC/DC преобразователи Цитата: Ну и в разделе 2.4 (buck/boost) помимо заморочных "сепика" и "чука" на первом месте должна бы стоять простая и эффективная схемка: Но тут уж действительно - претензии к автору первоисточника   [Исправлено: vaska, 05.01.2012 в 09:26] | |
|   |     | 
|  05.01.2012, 10:41 |  6   | 
| Завсегдатай Фонарёвки |  Re: Импульсные DC/DC преобразователи 
			
			vaska,  А как называется преобразователь данного типа и где можно найти описание его работы ? | 
|   |     | 
|  05.01.2012, 11:56 |  7   | 
| Раздуплятор нубов |  Re: Импульсные DC/DC преобразователи | 
|   |     | 
|  05.01.2012, 13:34   |  8   | |
| Капитан Очевидность Регистрация: 15.02.2011 Последняя активность: 09.01.2025 10:00 
					Сообщений: 5568
 Сказал(а) спасибо: 286 
		
			
				Поблагодарили: 1396 раз(а) в 1002 сообщениях
			
		
	 |  Re: Импульсные DC/DC преобразователи Цитата:  Цитата: | |
|   |     | 
|  05.01.2012, 14:28 |  9   | 
| Консультант  Регистрация: 25.05.2010 Последняя активность: 07.01.2015 23:43 
					Сообщений: 1364
 Сказал(а) спасибо: 20 
		
			
				Поблагодарили: 149 раз(а) в 112 сообщениях
			
		
	 |  Re: Импульсные DC/DC преобразователи 
			
			Так и называется "buck/boost", а принцип работы Вектор практически объяснил: если выходное напряжение обычной повышайки снимать между точками плюса питания и, собственно, плюсового выходного провода, а не как обычно (минус/выход), то полученное выходное напряжение может отличаться от входного как в большую, так и в меньшую сторону.
		 | 
|   |     | 
|  16.08.2012, 13:06 |  10   | 
| Новичок Регистрация: 02.06.2011 Последняя активность: 11.04.2021 12:41 
					Сообщений: 22
 Сказал(а) спасибо: 4 
		
			Поблагодарили 1 раз в 1 сообщении
		
	 |  Re: Импульсные DC/DC преобразователи 
			
			Повышающий импульсный DC/DC конвертор как называетсяя транзистор - вход ni-mh 1.2вольт выход на 1 светодиод китайский 60 ма/ч P.S. сильно ногами не пинайте очень хочется узнать что-же используют в таких схемах. | 
|   |     | 
|  16.08.2012, 15:56 |  11   | 
| Новичок Регистрация: 02.06.2011 Последняя активность: 11.04.2021 12:41 
					Сообщений: 22
 Сказал(а) спасибо: 4 
		
			Поблагодарили 1 раз в 1 сообщении
		
	 |  Re: Импульсные DC/DC преобразователи 
			
			А вот и он
		 | 
|   |     | 
|  16.08.2012, 21:54 |  12   | 
| Увлеченный Регистрация: 17.12.2011 Последняя активность: 10.05.2018 13:00 
					Сообщений: 219
 Сказал(а) спасибо: 3 
		
			
				Поблагодарили: 18 раз(а) в 16 сообщениях
			
		
	 |  Re: Импульсные DC/DC преобразователи 
			
			обратную сторону сфоткайте...и что ето за светодиод на 60ма\ч ? Может на 20ма? не аккумулятор все-таки... И что вы хотите, выразитесь понятным языком. Транзистор называется b605. Если вас интерисует какие транзисторы можно использовать в преобразователях, - любые. Есть простая схемка с транзистором, резистором, трансформатором и светодиодом. Собирается за 20мин. Работает от 0.7вольт. | 
|   |     | 
|  17.08.2012, 14:53 |  13   | 
| Новичок Регистрация: 02.06.2011 Последняя активность: 11.04.2021 12:41 
					Сообщений: 22
 Сказал(а) спасибо: 4 
		
			Поблагодарили 1 раз в 1 сообщении
		
	 |  Re: Импульсные DC/DC преобразователи 
			
			'это стояло в китайском фонаре nordway питается от одной АА дроссель,конденсатор,диод хочу знать что за компонент в середине? | 
|   |     | 
|  25.08.2012, 06:39 |  14   | 
| Участник форума по OpenID Регистрация: 25.08.2012 Последняя активность: 25.08.2012 06:41 
					Сообщений: 1
 Сказал(а) спасибо: 0 
		
			
				Поблагодарили: 0 раз(а) в 0 сообщениях
			
		
	 |  Re: Импульсные DC/DC преобразователи 
			
			wlaw Эта микросхема похоже на повышающий стабилизатор напряжения на 5В. Если схему запитать от 2.4В, то микросхема сильно нагревается, а с отключенным светодиодом даёт около 5В и не греется... | 
|   |     | 
|  06.12.2014, 00:07 |  15   | |
| Новичок Регистрация: 05.12.2014 Последняя активность: 06.12.2014 22:53 
					Сообщений: 4
 Сказал(а) спасибо: 0 
		
			
				Поблагодарили: 0 раз(а) в 0 сообщениях
			
		
	 |  Re: Импульсные DC/DC преобразователи 
			
			Доброго времени. Попал на сайт по ссылке.Изучаю работу преобразователей.В первом посте п2.2 описание работы повышающего импульсного DC/DC конвертора на мой взгляд не верное. Цитата: 
 | |
|   |     | 
|  06.12.2014, 11:25 |  16   | 
| Новичок Регистрация: 05.12.2014 Последняя активность: 06.12.2014 22:53 
					Сообщений: 4
 Сказал(а) спасибо: 0 
		
			
				Поблагодарили: 0 раз(а) в 0 сообщениях
			
		
	 |  Re: Импульсные DC/DC преобразователи 
			
			Когда транзистор ключа S закрыт э.д.с. самоиндукции увеличивается. А вот когда ключ S открыт э.д.с. самоиндукции складывается с э.д.с. источника питания и повышенная разность потенциалов через диод D прикладывается к конденсатору С. По-моему так.   | 
|   |     | 
|  06.12.2014, 11:36 |  17   | |
| Консультант  Регистрация: 15.11.2010 Последняя активность: 27.06.2025 10:19 
					Сообщений: 7980
 Сказал(а) спасибо: 1077 
		
			
				Поблагодарили: 1713 раз(а) в 912 сообщениях
			
		
	 |  Re: Импульсные DC/DC преобразователи Цитата: Ключ закрыт - накопленная энергия сбрасывается в нагрузку через диод. Индуктивность при этом играет роль дополнительного источника питания, включенного последовательно к основному. Используется такое свойство индуктивности, что ток(и соответственно накопленная энергия) через индуктивность не может изменится мгновенно, и ради сохранения значения тока индуктивность может сменить полярность, стать источником ЭДС, и выдавать любые напряжения, вплоть до бесконечности. [Исправлено: AVSel, 06.12.2014 в 11:42] | |
|   |     | 
|  06.12.2014, 20:28 |  18   | ||
| Новичок Регистрация: 05.12.2014 Последняя активность: 06.12.2014 22:53 
					Сообщений: 4
 Сказал(а) спасибо: 0 
		
			
				Поблагодарили: 0 раз(а) в 0 сообщениях
			
		
	 |  Re: Импульсные DC/DC преобразователи Цитата: Это пока оставлю без обсуждения,дальше станет понятно почему. Цитата:  Ни  какой ток через диод D в данный момент времени не потечет. Все это говорит о том ,что Ваше описание работы и происходящих физических процессов неверное. Физика Вам в помощь.  Работает оно так: | ||
|   |     | 
|  06.12.2014, 21:30 |  19   | ||
| Консультант  Регистрация: 15.11.2010 Последняя активность: 27.06.2025 10:19 
					Сообщений: 7980
 Сказал(а) спасибо: 1077 
		
			
				Поблагодарили: 1713 раз(а) в 912 сообщениях
			
		
	 |  Re: Импульсные DC/DC преобразователи Цитата: Цитата: А потом уже поговорим про физику   | ||
|   |     | 
|  06.12.2014, 22:53 |  20   | 
| Новичок Регистрация: 05.12.2014 Последняя активность: 06.12.2014 22:53 
					Сообщений: 4
 Сказал(а) спасибо: 0 
		
			
				Поблагодарили: 0 раз(а) в 0 сообщениях
			
		
	 |  Re: Импульсные DC/DC преобразователи | 
|   |     |