Светодиодные фонари и световые приборы. Всё о светотехнике.
Изображения Дневники Группы Поиск
Вернуться   Форум FONAREVKA.RU Помощь по выбору фонарей Выбор фонарей
Расширенный поиск
Забыли пароль? Регистрация

  • О нашем проекте
  • Светотехника и световые приборы
  • Правила форума
Проект FONAREVKA.RU специализируется на предоставлении всей необходимой информации по светотехнике:

— светодиодные фонари;
— различные источники питания;
— разнообразные зарядные устройства;
— освещение помещений и наружное освещение;
— световые приборы для личного, пассажирского и грузового транспорта;
— специальные световые приборы для медицины, для растений, для аквариумов, для террариумов, а также аварийно-сигнальные световые приборы;
— альтернативные источники света;
— лазеры и лазерная техника.

Если у вас есть вопросы по выбору фонарей, аккумуляторов и зарядных устройств ознакомьтесь с FAQ от наших экспертов:

F.A.Q. по выбору фонарей различных типов;
F.A.Q. по выбору аккумуляторов;
F.A.Q. по выбору зарядных устройств.
Закрытая тема  Создать новую тему
Просмотров в теме 213174   Ответов в теме 1056   Подписчиков на тему 39   Добавили в закладки 1
Опции темы Поиск в этой теме
Старый 29.09.2020, 12:15 Автор темы   41
ceramic
Ветеран Фонарёвки
 
Аватар для ceramic
 
Регистрация: 08.10.2011
Последняя активность: 30.03.2024 21:54
Сообщений: 7998
Сказал(а) спасибо: 934
Поблагодарили: 5204 раз(а) в 2785 сообщениях

По умолчанию Re: Как оставить один режим включения у фонаря? Часть 2.

Цитата:
Посмотреть сообщение Сообщение от Lyah :
Схема платы интересная без драйвера.
Разве не странно?
Выложить картинку драйвера и писать "без драйвера"?

Цитата:
Посмотреть сообщение Сообщение от Lyah :
Подскажите в чем может быть проблема?
контроллер драйвера подгорел.

Обычно их полевиком усиливают, но у вас супер-пупер экономный вариант.
ceramic вне форума   Вверх
Поблагодарили: 1 раз
Lyah (29.09.2020)
Старый 29.09.2020, 14:05   42
fnksb
Ветеран Фонарёвки
 
Аватар для fnksb
 
Регистрация: 08.03.2011
Последняя активность: Сегодня 00:43
Сообщений: 34497
Записей в дневнике: 4
Сказал(а) спасибо: 17582
Поблагодарили: 39628 раз(а) в 14660 сообщениях

По умолчанию Re: Вопрос-ответ. Часть 16.

Цитата:
Посмотреть сообщение Сообщение от OZ :
На BLF форуме встречал отзывы, что после замены с гладкого алюминиевого отражателя на ТИР-оптику умирал светодиод SST40 - возвращали гладкий, с заменой на аналогичный рабочий диод, - все работало. Возможно уменьшение теплоотвода от светодиода с ТИРкой сказывается? Есть ли в этом связь? Или светодиод умирал по иным причинам, не связанным с ТИРкой?
Основной теплоотвод с диода идет на звезду и с нее на корпус, вклад рефлектора там очень мал (тем более, что рефлекторы обычно ставятся на проставки/изоляторы и напрямую со звездой они не контактируют).
Есть модели, в которых рефлектор играет существенную роль в теплоотводе (например, модули D26), но обычно в них и так все очень плохо с теплоотводом =)

Так что скорее всего косвенные причины - например, фонарь с прижимом звезды диода рефлектором, после замены на TIR не отследили разницу в высоте, этот прижим ушел/ослабел и звезда диода повисла в воздухе. Или покоцали диод при установке. Или просто совпадение.

[Исправлено: fnksb, 29.09.2020 в 14:06]
fnksb на форуме   Вверх
Старый 29.09.2020, 20:56   43
Lyah
Начинающий
 
Аватар для Lyah
 
Регистрация: 24.09.2020
Последняя активность: 01.10.2020 12:52
Сообщений: 11
Сказал(а) спасибо: 1
Поблагодарили: 0 раз(а) в 0 сообщениях

По умолчанию Re: Как оставить один режим включения у фонаря? Часть 2.

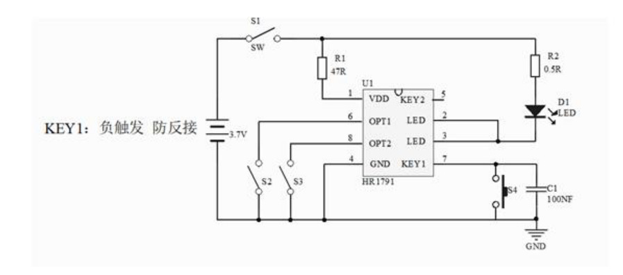
Хотите сказать,что драйвером является микросхема питания HR 1791?

[Исправлено: Lyah, 29.09.2020 в 21:00]
Lyah вне форума   Вверх
Старый 29.09.2020, 20:59   44
Lyah
Начинающий
 
Аватар для Lyah
 
Регистрация: 24.09.2020
Последняя активность: 01.10.2020 12:52
Сообщений: 11
Сказал(а) спасибо: 1
Поблагодарили: 0 раз(а) в 0 сообщениях

По умолчанию Re: Как оставить один режим включения у фонаря? Часть 2.

И еще будет один вопрос:Его можно заменить подобным таким как TEA1791T.А то я HR1791 нигде не смог найти.
Lyah вне форума   Вверх
Старый 30.09.2020, 01:43 Автор темы   45
ceramic
Ветеран Фонарёвки
 
Аватар для ceramic
 
Регистрация: 08.10.2011
Последняя активность: 30.03.2024 21:54
Сообщений: 7998
Сказал(а) спасибо: 934
Поблагодарили: 5204 раз(а) в 2785 сообщениях

По умолчанию Re: Как оставить один режим включения у фонаря? Часть 2.

Цитата:
Посмотреть сообщение Сообщение от Lyah :
Хотите сказать,что драйвером является микросхема питания HR 1791?
Я уже сказал, HR1791 -- это драйвер и есть.

Цитата:
Посмотреть сообщение Сообщение от Lyah :
можно заменить подобным таким как TEA1791T
Нет.
Есть аналоги (при желании найдете). Но оно того не стоит. Абсолютно.
Этот драйвер под стать фонарю -- полный отстой. И то и другое.

Купите нормальный фонарь.
ceramic вне форума   Вверх
Поблагодарили: 1 раз
Magvay (06.10.2020)
Старый 30.09.2020, 07:49   46
Lyah
Начинающий
 
Аватар для Lyah
 
Регистрация: 24.09.2020
Последняя активность: 01.10.2020 12:52
Сообщений: 11
Сказал(а) спасибо: 1
Поблагодарили: 0 раз(а) в 0 сообщениях

По умолчанию Re: Вопрос-ответ. Часть 16.

Приношу извинения за назойливость,подскажите пожалуйста как найти аналог?Я перерыл весь интернет,но даташит так и не нашел,или какой либо информации о нем.Я уже не говорю о аналогах.Он у меня 5-й.Просто жалко выбросить,так как его использую во всех черных работах.А те,что по дороже жалко убивать.
Lyah вне форума   Вверх
Старый 30.09.2020, 08:57   47
Waryag
Ветеран Фонарёвки
 
Аватар для Waryag
 
Регистрация: 11.09.2015
Последняя активность: 29.08.2024 15:54
Сообщений: 6353
Записей в дневнике: 1
Сказал(а) спасибо: 3647
Поблагодарили: 2783 раз(а) в 1775 сообщениях

По умолчанию Re: Вопрос-ответ. Часть 16.

Lyah,

Вы еще попробуйте убить те, что подороже. Что им будет, при нормальной герметичной конструкции? Анодирование на гранях сотрется, резинка истреплется ( можно заменить) - это такая проблема для рабочего фонаря, чтобы пользоваться говнецом?
В конце концов, тот же D10 стоит достаточно дешево, чтобы не переживать за него, и все равно на порядок лучше вашей поделки.
Waryag вне форума   Вверх
Старый 30.09.2020, 10:32   48
Lyah
Начинающий
 
Аватар для Lyah
 
Регистрация: 24.09.2020
Последняя активность: 01.10.2020 12:52
Сообщений: 11
Сказал(а) спасибо: 1
Поблагодарили: 0 раз(а) в 0 сообщениях

По умолчанию Re: Вопрос-ответ. Часть 16.

Год назад один погас и больше воскрес,так как покупать оригинальные з\п дорогое удовольствие,а купил драйвер поддельный и он начал жить своей жизню.тот кто ремонтировал только развел руками.Так что неубиваемых нет.
Lyah вне форума   Вверх
Старый 30.09.2020, 10:44   49
galex
сволочь фонарёвки
 
Регистрация: 27.05.2011
Последняя активность: Вчера 21:19
Сообщений: 40401
Сказал(а) спасибо: 6678
Поблагодарили: 36096 раз(а) в 16677 сообщениях

По умолчанию Re: Вопрос-ответ. Часть 16.

Цитата:
Посмотреть сообщение Сообщение от Lyah :
драйвер поддельный
Бгг.
Тут бесполезно что либо объяснять. Выбрасывайте этот дохлый хлам и покупайте новый такой же.
galex вне форума   Вверх
Поблагодарили: 3 раз(а)
Drex (30.09.2020), Magvay (06.10.2020), vorsmann (30.09.2020)
Старый 30.09.2020, 11:33   50
Waryag
Ветеран Фонарёвки
 
Аватар для Waryag
 
Регистрация: 11.09.2015
Последняя активность: 29.08.2024 15:54
Сообщений: 6353
Записей в дневнике: 1
Сказал(а) спасибо: 3647
Поблагодарили: 2783 раз(а) в 1775 сообщениях

По умолчанию Re: Вопрос-ответ. Часть 16.

Цитата:
Посмотреть сообщение Сообщение от Lyah :
Год назад один погас и больше воскрес,так как покупать оригинальные з\п дорогое удовольствие,а купил драйвер поддельный и он начал жить своей жизню.тот кто ремонтировал только развел руками.Так что неубиваемых нет.


Вы вообще читаете ,что вам пишут?
Купите D10, сверхбюджетный, но с нормальной конструкцией, и пользуйтесь.
И какие "дорогие оригинальные запчасти" могут быть к откровенно мусорному фонарю из подвальчика дядюшки Ляо?

Цитата:
Посмотреть сообщение Сообщение от Lyah :
Так что неубиваемых нет.
Поделитесь сокровенным знанием о моделях, на основе пользования которыми вы сделали такой вывод?

[Исправлено: Waryag, 30.09.2020 в 11:34]
Waryag вне форума   Вверх
Поблагодарили: 1 раз
Kelevratony (03.10.2020)
Старый 30.09.2020, 11:39   51
vorsmann
Ветеринар Фонаревки
 
Аватар для vorsmann
 
Регистрация: 19.03.2013
Последняя активность: 05.11.2025 09:06
Сообщений: 7590
Сказал(а) спасибо: 10201
Поблагодарили: 2399 раз(а) в 1544 сообщениях

По умолчанию Re: Вопрос-ответ. Часть 16.

Человек на своей волне, нравится видимо пользоваться всяким шлаком. Что тут поделаешь.
__________________
In Fino verytas
vorsmann вне форума   Вверх
Поблагодарили: 1 раз
Magvay (06.10.2020)
Старый 30.09.2020, 11:42   52
Fableas
Ветеран Фонарёвки
 
Аватар для Fableas
 
Регистрация: 15.03.2015
Последняя активность: Вчера 18:38
Сообщений: 3688
Сказал(а) спасибо: 1352
Поблагодарили: 1827 раз(а) в 1174 сообщениях

По умолчанию Re: Вопрос-ответ. Часть 16.

Цитата:
Посмотреть сообщение Сообщение от vorsmann :
Человек на своей волне, нравится видимо пользоваться всяким шлаком.
Или школьник, ограниченный в финансах. Дайте человеку набить свои шишки
Fableas вне форума   Вверх
Поблагодарили: 1 раз
vorsmann (30.09.2020)
Старый 30.09.2020, 11:45   53
vorsmann
Ветеринар Фонаревки
 
Аватар для vorsmann
 
Регистрация: 19.03.2013
Последняя активность: 05.11.2025 09:06
Сообщений: 7590
Сказал(а) спасибо: 10201
Поблагодарили: 2399 раз(а) в 1544 сообщениях

По умолчанию Re: Вопрос-ответ. Часть 16.

Да пожалуйста голова то не моя пусть пробует. Надоест со временем.
vorsmann вне форума   Вверх
Старый 30.09.2020, 11:48 Автор темы   54
ceramic
Ветеран Фонарёвки
 
Аватар для ceramic
 
Регистрация: 08.10.2011
Последняя активность: 30.03.2024 21:54
Сообщений: 7998
Сказал(а) спасибо: 934
Поблагодарили: 5204 раз(а) в 2785 сообщениях

По умолчанию Re: Вопрос-ответ. Часть 16.

Цитата:
Посмотреть сообщение Сообщение от Lyah :
подскажите пожалуйста как найти аналог?
Но зачем?
Есть всего несколько причин для этого:
1. Подарок горячо любимой усопшей бабушки. Фонарь будет восстановлен, запечатан в хрустальный ларец в среде инертного газа. На память.
2. На подарок закадычному врагу. Пусть гад мучается.
3. Избавится от назойливого друга с его регулярными многочасовыми монологами "одни барыги вокруг". Такой классный фонарь, почти неделю отработал великолепно, всего-то и заменить микросхему копеечную, а хотят за работу цену нескольких таких фонарей. Со словами "На тебе дорогой жменю микросхем, меняй где хочешь, я не могу, руки к жопе переместились", можно избавится. На время или на всегда -- как повезет.
4. Научная работа. Что-то типа "Жадность", в разделе на что идут люди, что-бы сэкономить на пару бутылок водки.
Все. Других причин нет. Если подходит -- тогда конечно, тогда можно купить несколько сотен (меньше не продадут, они же от $0.01 стоят).


Цитата:
Посмотреть сообщение Сообщение от Lyah :
так как его использую
Не, не подходит.
Нужен фонарь, а не его имитация.


Цитата:
Посмотреть сообщение Сообщение от Lyah :
даташит так и не нашел,или какой либо информации о нем
Да нечего там даташитить. Например, у продавца вся нужная инфа с параметрами и схемами на страничке https://detail.1688.com/off... (может потребоваться регистрация).
ceramic вне форума   Вверх
Поблагодарили: 2 раз(а)
galex (30.09.2020), Timofej 000 (30.09.2020)
Старый 30.09.2020, 20:53 Автор темы   55
ceramic
Ветеран Фонарёвки
 
Аватар для ceramic
 
Регистрация: 08.10.2011
Последняя активность: 30.03.2024 21:54
Сообщений: 7998
Сказал(а) спасибо: 934
Поблагодарили: 5204 раз(а) в 2785 сообщениях

По умолчанию Re: Вопрос-ответ. Часть 16.

Цитата:
Посмотреть сообщение Сообщение от Lyah :
цену деньгам я знаю,и я ими не швыряюсь
Ошибочка вкралась, "не" лишнее (не там стоит):
Цитата:
Посмотреть сообщение Сообщение от Lyah :
Он у меня 5-й.
Должно же быть "я ими швыряюсь".
Покупка подобной дряни у нас принято называть платным обучением.
Бывает и пяти подобных покупок мало.

Цитата:
Посмотреть сообщение Сообщение от Lyah :
обычный человек с зарплатой в 200$
Тем более.
По цене четырех фонарей, которыми реально можно пользоваться, куплено 5 штук отстойных имитаций.
И все равно, придется купить что-то нормальное. Если фонарь действительно нужен.
ceramic вне форума   Вверх
Поблагодарили: 5 раз(а)
Drex (01.10.2020), Kelevratony (03.10.2020), Magvay (06.10.2020), scsichnik (01.10.2020), РШ (30.09.2020)
Старый 30.09.2020, 21:27   56
login55
Ветеран Фонарёвки
 
Аватар для login55
 
Регистрация: 20.03.2014
Последняя активность: 14.01.2023 23:27
Сообщений: 2961
Сказал(а) спасибо: 316
Поблагодарили: 879 раз(а) в 608 сообщениях

По умолчанию Re: Вопрос-ответ. Часть 16.

через терни шишки к звездам фонарям
__________________
M2A09LR, Skilhunt H02/Tamagotchi, Emisar D4 XP-L HI...
login55 вне форума   Вверх
Поблагодарили: 1 раз
Magvay (06.10.2020)
Старый 04.10.2020, 00:17   57
Скобарь
Заблокирован
 
Регистрация: 27.09.2020
Последняя активность: 14.09.2025 14:10
Сообщений: 452
Сказал(а) спасибо: 287
Поблагодарили: 95 раз(а) в 72 сообщениях

По умолчанию Re: Вопрос-ответ. Часть 16.

Всем привет!
С недавних пор я немного увлёкся фонарями, потому что сын мой подрос, научился гонять на велосипеде, грамотно щёлкать скоростями, - и я тоже приобрёл себе велосипед для покатушек с сыном.
В своё время возник вопрос и о велосвете.
Приобрести какой-либо нормальный велофонарь в магазинах не получилось - все они очень ярко светят синим светом, который слепит глаза, но весьма паршиво освещает дорогу - особенно мокрую.

Начитавшись отзывов в интернете, я решил для эксперимента приобрести Convoy S2+ с SST40 (5000K, с 4-мя режимами яркости).
Заказал на АЛИ, получил, воткнул в него аккумулятор CGR18650CG (достаточно старый, из давно вышедшего из строя батарейного блока ноутбука) и....
Ни на одном из этих аккумуляторов он не горел более полминуты в максимальном режиме - нагревался и после этого сразу переключался на режим ниже, начиная мигать, сигнализируя о низком заряде.
Пока с АЛИ шли заказанные 18650 LiitoKala 3500, я не утерпел и купил в радиодеталях Panasonic NCR18650B с платкой защиты на торце.
Вставил его в фонарь, включил - горит на первых трёх режимах, а на максимальном - мигает и гаснет. Снова прогоняешь по кругу режимы, доходишь до максимального - снова мигает и гаснет.
Вытаскиваю аккумулятор, отрываю плату защиты с торца, вставляю в фонарь.
Включаю, дохожу до максимума - горит стабильно. ОКей.
Оставляю гореть на максимуме, фонарь проработал минуту, прилично нагрелся и погас.
После этого он стал включаться только на минимальном режиме. Щёлкай сколько хочешь - ни на одном режиме не работает, только на минимальном, все остальные пропускает.
Вынимаю из головы пилюлю со светодиодом, подключаю диод напрямую к аккумулятору - горит на максимуме.
Ясно, что сгорел драйвер.
Заказал на АЛИ другой Convoy S2+ (T6 4C + 7135x, старый и проверенный, а ещё Convoy С8+ (с nichia 219C 7135x8 4000К).
Забегая вперёд скажу, что на всех аккумуляторах (и на CGR18650CG, и на NCR18650B, и на LiitoKala 3500) они работают нормально, стабильно и долго.
Пока эти новые Convoy шли, я стал использовать старый следующим образом - вытащил драйвер, светодиод SST40 запитал напрямую и вставил в фонарь старый CGR18650CG от ноутбука. Фонарь горит стабильно, ярко и почти не греется - видимо силёнок у старого аккумулятора маловато, и диод он раскаляет процентов на 70 плюс-минус (от новых аккумуляторов греется сильно, но я их, понятное дело, не сую в него). Для велосипеда и бытовых нужд - предостаточно; получился просто яркий фонарик с одним режимом свечения и с одним косяком - аккумулятор он может выжрать до недопустимых пределов, так что за этим нужно следить.

Новый Convoy S2+ (T6 4C + 7135x меня устроил полностью и работой, и яркостью, и набором режимов; нареканий нет, кроме пожалуй того, что стекло в нём обычное, а не закалённое.

А вот Convoy С8+ (с nichia 219C 7135x8 4000К) меня не впечатлил.
Во-первых, свет у него кажется более холодным, чем у Convoy S2+ с SST40 5000K.
Во-вторых, никакой особой дальнобойности я не заметил (да от его света вспыхивают дорожные знаки на расстоянии в 300-350 метров, но сам свет - тусклый, и на расстоянии в 150 метров мало чего разглядишь).
В-третьих, набор режимов - совершенно дурацкий. Почему в прошивке biscotti есть режим, при котором фонарь светит на 100% в один клик (это режим №12), но нет аналогичного режима, скажем, в 60, 70, или даже 80% яркости? Совершенно не понятно, почему ничего такого подобного нет.

Собственно, нужен совет знатоков.
Может нужно было купить Convoy С8+ не с nichia 219C, а с SST20?
Или рефлектор выбрать не гладкий, а апельсиновую корку? Кто использовал и тот, и другой - что скажете?
Или всё же стоит в качестве дальнобоя приобрести что-то другое? Тогда что именно?
L21A или М21?
Посоветуйте.
Скобарь вне форума   Вверх
Старый 04.10.2020, 13:18   58
Waryag
Ветеран Фонарёвки
 
Аватар для Waryag
 
Регистрация: 11.09.2015
Последняя активность: 29.08.2024 15:54
Сообщений: 6353
Записей в дневнике: 1
Сказал(а) спасибо: 3647
Поблагодарили: 2783 раз(а) в 1775 сообщениях

По умолчанию Re: Вопрос-ответ. Часть 16.

Цитата:
Посмотреть сообщение Сообщение от Скобарь :
Может нужно было купить Convoy С8+ не с nichia 219C, а с SST20?
Или рефлектор выбрать не гладкий, а апельсиновую корку? Кто использовал и тот, и другой - что скажете?
Или всё же стоит в качестве дальнобоя приобрести что-то другое? Тогда что именно?
L21A или М21?
Посоветуйте.
Дальнобой на ничии - реликт, оставшийся со времен, когда не было более свежих хайкришных диодов.
Максимальная дальнобойность - на осраме, но есть нюансы.
Хорошая - на xpl hi или ssт20.
Достаточно поменять диод.

Цитата:
Посмотреть сообщение Сообщение от Скобарь :
В-третьих, набор режимов - совершенно дурацкий. Почему в прошивке biscotti есть режим, при котором фонарь светит на 100% в один клик (это режим №12), но нет аналогичного режима, скажем, в 60, 70, или даже 80% яркости? Совершенно не понятно, почему ничего такого подобного нет.
1) Конвои - достаточно простые недорогие фонари, странно ждать от них вершин продуманности интерфейса (как и от многих более дорогих брендов).
2) Непомерное раздувание количества режимов.
3) Есть возможность физически отключать стабилизаторы тока на драйвере, обрезая к ним дорожки. Всего их восемь, отключения 2-3 штук должно быть достаточно.

Цитата:
Посмотреть сообщение Сообщение от Скобарь :
Пока эти новые Convoy шли, я стал использовать старый следующим образом - вытащил драйвер, светодиод SST40 запитал напрямую и вставил в фонарь старый CGR18650CG от ноутбука. Фонарь горит стабильно, ярко и почти не греется - видимо силёнок у старого аккумулятора маловато, и диод он раскаляет процентов на 70 плюс-минус (от новых аккумуляторов греется сильно, но я их, понятное дело, не сую в него). Для велосипеда и бытовых нужд - предостаточно; получился просто яркий фонарик с одним режимом свечения и с одним косяком - аккумулятор он может выжрать до недопустимых пределов, так что за этим нужно следить.
Плохое решение - может убить как диод, так и аккум. Нравится как работает - ну поставьте однорежимный драйвер.
Waryag вне форума   Вверх
Поблагодарили: 2 раз(а)
Magvay (06.10.2020), Скобарь (06.10.2020)
Старый 04.10.2020, 15:48   59
Скобарь
Заблокирован
 
Регистрация: 27.09.2020
Последняя активность: 14.09.2025 14:10
Сообщений: 452
Сказал(а) спасибо: 287
Поблагодарили: 95 раз(а) в 72 сообщениях

По умолчанию Re: Вопрос-ответ. Часть 16.

Цитата:
Посмотреть сообщение Сообщение от Waryag :
Дальнобой на ничии - реликт, оставшийся со времен, когда не было более свежих хайкришных диодов.
Максимальная дальнобойность - на осраме, но есть нюансы.
Хорошая - на xpl hi или ssт20.
Достаточно поменять диод.
Помогите подобрать к С8+. Сейчас на работе, нет доступа к фонарю, но есть к АЛИ.
Какой диаметр пластины - 16мм или 20мм? И что такое "4000K bare".
Скобарь вне форума   Вверх
Старый 04.10.2020, 22:52   60
MAX-MX
Завсегдатай Фонарёвки
 
Аватар для MAX-MX
 
Регистрация: 27.12.2012
Последняя активность: 14.11.2025 21:37
Сообщений: 894
Сказал(а) спасибо: 879
Поблагодарили: 631 раз(а) в 373 сообщениях

По умолчанию Re: Вопрос-ответ. Часть 16.

Цитата:
Посмотреть сообщение Сообщение от Скобарь :
Помогите подобрать к С8+. Сейчас на работе, нет доступа к фонарю, но есть к АЛИ.
Какой диаметр пластины - 16мм или 20мм? И что такое "4000K bare".
На C8+ диаметр звезды 20 мм, bare это голый диод, без звезды, 4000К соответственно температура светового потока в Кельвинах.

[Исправлено: MAX-MX, 04.10.2020 в 22:54]
MAX-MX вне форума   Вверх
Поблагодарили: 1 раз
Скобарь (06.10.2020)
Закрытая тема  Создать новую тему





Copyright ©2007 - 2024, FONAREVKA.RU

Powered by vBulletin®
Copyright ©2000 - 2022, Jelsoft Enterprises Ltd. Перевод: zCarot

Правила форума | Отказ от ответственности

Время генерации страницы 0.15424 секунды с 18 запросами